Приспособленец от бога. Грибок-книголюб воодушевил ученых, ищущих инопланетную жизнь

грибок
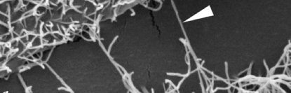
На этой фотографии, сделанной под микроскопом, видны волосовидные нити или гифы | Фото: Micheluz et al. 2022

Исследователи полагают, что обнаружили в итальянской библиотеке аналог инопланетной жизни.

Ученые исследовали несколько одних из самых почетных итальянских библиотек, которые казалось бы вовсе "непригодны для жизни", и обнаружили, что нечто в них все же успешно процветает и даже меняет окружающую среду под себя, пишет Inverse.

Библиотекари приложили немало усилий, чтобы сделать венецианскую библиотеку одним из самых негостеприимных мест в мире — здесь поддерживают невыносимые для жизни сухие условия, тем самым защищая редкие старые книги от плесени, грибков и других вредоносных микробов. Однако недавнее исследование свидетельствует о том, что этого недостаточно и что самое любопытное, данное открытие может сыграть важную роль в поиске инопланетной жизни.

Відео дня

У Фокус. Технологии появился свой Telegram-канал. Подписывайтесь, чтобы не пропускать самые свежие и захватывающие новости из мира науки!

В ходе исследования ученые из Лаборатории прикладной физики Университета Джона Хопкинса просканировали под электронным микроскопом обложки книг и обнаружили, что на них процветает грибок Eurotium halophilicum, который, как предполагают ученые, является аналогом инопланетной жизни. Исследователи обнаружили, что этот находчивый грибок научился менять окружающую среду под свои нужды — например, он способен самостоятельно приготовить себе питательный коктейль из молекул водяного пара и соли.

грибок на книге
Не первое место, где вы ожидаете найти аналоги инопланетной жизни
Фото: Micheluz et al. 2022

По словам планетолога Эдгарда Ривера-Валентина, это еще одно доказательство того, что жизнь еще не раз сможет нас удивить. По словам соавтора исследования ученого-реставратора Немецкого музея Анны Мишелуз, изучив обложки книг под микроскопом, они с коллегами обнаружили, что у грибков есть ореол из крошечных, похожих на волоски нитей, которые состоят из того же материала, что и его клеточные стенки. Во время колебания эти нити захватывают молекулы воды, окружая грибок слоем воздуха, который более влажный, чем остальной воздух в тщательно контролируемой библиотеке.

Однако этого все еще недостаточно — Eurotium halophilicum все еще нужна жидкость, подобная рассолу, которая образуется, когда водяной пар попадает на кристалл соли. Тут то и начинается самое удивительное — крохотные кристаллы соли на обложках книг, которые не видны человеческому глазу, время от времени сталкиваются с молекулами воды. В результате соль превращается в тонкую пленку соленой жидкости, которая так необходима грибку, чтобы выживать.

По словам Мишелуз, этот грибок эволюционировал настолько, что научился захватывать воды, собирая ее в свое личное облако влажного воздуха, и создавать из нее рассол необходимый для питания. Ученые полагают, что, порой, Eurotium halophilicum способен даже подталкивать молекулы воды и перемещать их ближе к соли, чтобы получить желанный коктейль.

Отметим, что это весьма удручающая новость для библиотекарей, которые всячески пытаются защитить книги, но хорошая, для ученых, которые занимаются поиском инопланетной жизни.

Несмотря на то, что библиотекари создали максимально "некомфортные для жизни условия" в венецианской библиотеке, грибок все же сумел закрепиться в ней и даже процветает. Все это ему удалось из-за его способности перетасовывать часть экологических процессов, с которыми ему приходится иметь дело. К слову, этот же грибок порой удивляет людей, работающих в пищевой промышленности, когда портит продукты, которые хранятся в суперсухих условиях.

По словам Ривера-Валентин, этот пример показывает, что местами условия, которые кажутся максимально непригодными для жизни, могут не быть таковыми, если организм способен манипулировать окружающей средой. Ученые полагают, что это является убедительным намеком на то, что однажды микробы могут удивить астробиологов тем, что будут существовать там, где, по идее, не должны были бы.

Исследователи отмечают, что если микробы способны существовать в необитаемых местах, просто создавая для себя комфортные условия, то мы не можем списывать со счетов чужой мир лишь потому, что он кажется нам необитаемым.

Ранее Фокус писал о том, что жизнь на Марсе находится вовсе не там, где ее ищут.