Древние персы 900 лет назад пользовались технологией, "изобретенной" в начале 20-го века

Фото: Rahil Alipour, UCL
Фото: Rahil Alipour, UCL

Археологи выяснили, что персы добавляли хром в свою сталь еще в 11 веке.

Хром – обычная добавка к сплавам для изготовления таких материалов, как инструментальная и нержавеющая сталь. Долгое время считалось, что такой метод был изобретен на стыке 19 и 20-го веков. Но археологи обнаружили, что древние персы добавляли хром в свою сталь еще в 11 веке, почти тысячу лет назад. Об этом сообщает New Atlas.

Команда, возглавляемая Рахилом Алипуром из Университетского колледжа Лондона, изучила несколько средневековых персидских рукописей и обнаружила археологический памятник, называемый Чахак на юге Ирана. Там в древности занимались производством стали.

Внимание ученых привлекла одна рукопись, которая называлась "Компендиум для познания драгоценных камней". Она была написана 10 или 11 веке н.э. эрудитом Абу-Райханом Бируни. Рукопись содержала рецепт ковки стали в высокотемпературных тиглях.

Відео дня
Важно
Стены из костей мамонтов. Археологи нашли странное строение возрастом более 20 тысяч лет
Стены из костей мамонтов. Археологи нашли странное строение возрастом более 20 тысяч лет

"Процесс идентификации (рецепта, – ред.) может быть довольно долги и сложным, и это происходит по нескольким причинам. Во-первых, язык и термины, используемые для обозначения технологических процессов или материалов, могут больше не использоваться, или их значение может отличаться от тех, которые используются сегодня. Кроме того, рукопись пришла от социальных элит, а не человека, который ремесленником, что могло привести к ошибкам или упущениям в тексте", – говорит автор исследования Маркос Мартинон-Торрес.

сталь, хром

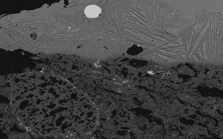
Снимок шлака внутри тигля, полученное с помощью сканирующего электронного микроскопа, с серебристым стальным пятном, видимым в центре вверху. Фото: Rahil Alipour, UCL.

Один ингредиент, получивший название "русахтай", озадачил археологов. В конце концов они определили его как рудный материал хромит. Его можно использовать для изготовления хромовой тигельной стали. Догадки археологов подтвердились, когда они обнаружили следы хромита и хрома в артефактах со стоянки Чахак.

С помощью радиоуглеродного датирования нескольких кусков древесного угля, извлеченного из тигля, и кузнечного шлака, команда датировала эту практику между 11 и 12 веками. В шлаке тигля также обнаружили стальные частицы, содержащие от 1 до 2% хрома по весу.

В современной нержавеющей и инструментальной стали содержание хрома может достигать 11-13%.

"Наше исследование является первым доказательством целенаправленного добавления минерала хрома в процессе производства стали. Мы считаем, что это персидский феномен", – говорит один из ведущих авторов.

Команда говорит, что рукописи того времени хвалили сталь Чахак за ее замысловатые узоры, но указывали, что мечи из этого материала, были довольно хрупкими. Согласно исследованию, такой эффект давало высокое содержание фосфора.