Підтримайте нас

МИ В СОЦМЕРЕЖАХ:

В Росії встановили комплекс активного захисту від БПЛА та ракет на танк Т-90М: що відомо

танк, Т-90М, танк Прорыв, комплекс активного захисту Арена-М, КАЗ Арена М
Танк Т-90М "Прорыв" | Фото: Скріншот

"Уралвагонзавод" виготовив перший танк Т-90М "Прорыв" з комплексом активного захисту "Арена-М". Ця система здатна перехоплювати керовані ракети.

Російська корпорація "Уралвагонзавод", яка належить "Ростеху", виготовила танк Т-90М "Прорыв" з комплексом активного захисту (КАЗ) "Арена-М", що здатен перехоплювати у ближній зоні навколо себе керовані ракети та інші боєприпаси шляхом їх фізичного знищення. Про це повідомляє "Мілітарний".

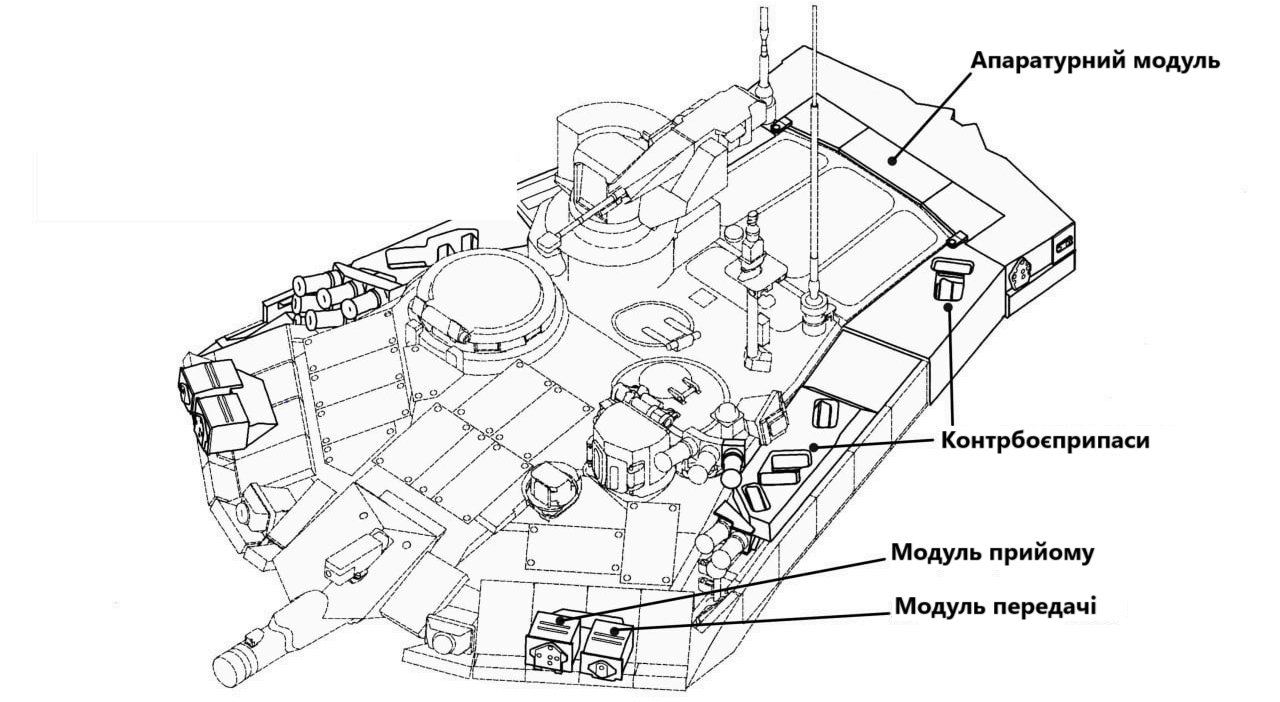
Комплекс "Арена-М" складається з шести радіолокаційних станцій, які контролюють простір навколо бойової машини та повідомляють бортовий комп’ютер про загрози у зоні огляду.

Радари перекривають сектори у лобовій, бортових та кормовій проекціях, але дах башти залишається у "сліпій зоні" й зазначена точка є стандартним сценарієм роботи для протитанкових ракет Javelin та ударних безпілотників. Тому через інтеграцію елементів комплексу у простір за фальш-бортами приховані мортири димових гранатометів було перенесено у відкриту установку на даху башти.

Відео дня
Важливо
Безславна смерть : Т-90М і його провал у війні проти України
Безславна смерть : Т-90М і його провал у війні проти України

Також за фальш-бортами мають бути розміщені пускові шахти з готовими до запуску контрбоєприпасами, які уражають загрозу вузьконаправленим потоком важких уламків. Згідно з патентною документацією, їх кількість може сягати 14 одиниць.

Зміни у конструкціїтанку Т-90М з комплексом "Арена-М"
Зміни у конструкціїтанку Т-90М з комплексом "Арена-М"

Для належної роботи "Арена-М" потребує відкритого простору навколо машини, тому на танк не можна встановити вже антидронові "надбудови", які стали вже традиційними для російської армії. Але якщо інтегрований комплекс був адаптований для перехоплення дронів, у "курниках" та "сараях" може відпасти потреба, припускають на порталі.

Схема розміщення КАЗ Арена-М на танку Т-90М
Схема розміщення КАЗ Арена-М на танку Т-90М
Фото: t.me/btvt2019

Минулого року генеральний конструктор російського "Конструкторского бюро приборостроения" Валерій Кашин заявляв, що його відомство працює над адаптацією "Арени-М" для перехоплення баражуючих безпілотників.

Важливо
У РФ випробували активний захист "Арена" на танках Т-72: що очікувати від розробки 40-річної давності
У РФ випробували активний захист "Арена" на танках Т-72: що очікувати від розробки 40-річної давності

Водночас автори тематичного Telegram-каналу btvt2019 вважають, що користі від комплексу активного захисту "Арена-М" на танку Т-90М буде небагато. Як зазначається, ефект був би, якби ця КАЗ з'явилася за часів домінування ПТРК, а не дронів. "Арена" безнадійно застаріла, вважають вони, оскільки швидкість боєприпасів, що перехоплюються, має нижню межу, яка менша, ніж швидкість дронів. І зробити її менше не можна, інакше КАЗ перехоплюватиме каміння, що летить, на дорозі, падаючі гілки та інші об'єкти.

Нагадаємо, раніше танковий експерт Микола Саламаха перелічив найвразливіші місця російського танку "Прорыв". У Т-90М виявилося 7 уразливих зон.