В России установили комплекс активной защиты от БПЛА и ракет на танк Т-90М: что известно

танк, Т-90М, танк Прорыв, комплекс активной защиты Арена-М, КАЗ Арена М
Танк Т-90М "Прорыв" | Фото: Скриншот

"Уралвагонзавод" изготовил первый танк Т-90М "Прорыв" с комплексом активной защиты "Арена-М". Эта система способна перехватывать управляемые ракеты.

Российская корпорация "Уралвагонзавод", которая принадлежит "Ростеху", изготовила танк Т-90М "Прорыв" с комплексом активной защиты (КАЗ) "Арена-М", который способен перехватывать в ближней зоне вокруг себя управляемые ракеты и другие боеприпасы путем их физического уничтожения. Об этом сообщает "Милитарный".

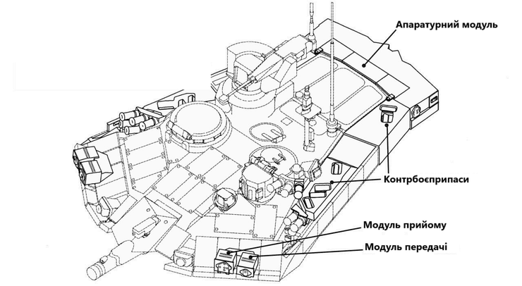
Комплекс "Арена-М" состоит из шести радиолокационных станций, которые контролируют пространство вокруг боевой машины и сообщают бортовому компьютеру об угрозах в зоне обзора.

Радары перекрывают сектора в лобовой, бортовых и кормовой проекциях, но крыша башни остается в "слепой зоне", и указанная точка является стандартным сценарием работы для противотанковых ракет Javelin и ударных беспилотников. Поэтому из-за интеграции элементов комплекса в пространство за фальш-бортами скрытые мортиры дымовых гранатометов были перенесены в открытую установку на крыше башни.

Відео дня
Важно
Бесславная смерть : Т-90М и его провал в войне против Украины
Бесславная смерть : Т-90М и его провал в войне против Украины

Также за фальш-бортами должны быть размещены пусковые шахты с готовыми к запуску контрбоеприпасами, которые поражают угрозу узконаправленным потоком тяжелых обломков. Согласно патентной документации, их количество может достигать 14 единиц.

Изменения в конструкции танка Т-90М с комплексом "Арена-М"
Изменения в конструкции танка Т-90М с комплексом "Арена-М"

Для надлежащей работы "Арена-М" требует открытого пространства вокруг машины, поэтому на танк нельзя установить уже ставшие традиционными для российской армии антидронные "надстройки". Но если интегрированный комплекс был адаптирован для перехвата дронов, в "курятниках" и "сараях" может отпасть необходимость, предполагают на портале.

Схема размещения КАЗ Арена-М на танке Т-90М
Схема размещения КАЗ Арена-М на танке Т-90М
Фото: t.me/btvt2019

В прошлом году генеральный конструктор российского "Конструкторского бюро приборостроения" Валерий Кашин заявлял, что его ведомство работает над адаптацией "Арены-М" для перехвата барражирующих беспилотников.

Важно
В РФ испытали активную защиту "Арена" на танках Т-72: что ожидать от разработки 40-летней давности
В РФ испытали активную защиту "Арена" на танках Т-72: что ожидать от разработки 40-летней давности

В то же время авторы тематического Telegram-канала btvt2019 считают, что пользы от комплекса активной защиты "Арена-М" на танке Т-90М будет немного. Как отмечается, эффект был бы, если бы эта КАЗ появилась во времена доминирования ПТРК, а не дронов. "Арена" безнадежно устарела, считают они, поскольку скорость перехватываемых боеприпасов имеет нижний предел, который меньше, чем скорость дронов. И сделать ее меньше нельзя, иначе КАЗ будет перехватывать летящие камни на дороге, падающие ветки и другие объекты.

Напомним, ранее танковый эксперт Николай Саламаха перечислил самые уязвимые места российского танка "Прорыв". У Т-90М оказалось 7 уязвимых зон.