Роботы, дроны и "умные" гаджеты: как чип из мозговых клеток может усилить военных

мозг, процессор, искусственный интеллект
Так, по мнению генеративного ИИ, должен выглядть интеграция процессора и человеческого мозга | Фото: AI Midjourney

Ученые считают, что их необычный чип ускорит появление самообучающихся машин и полностью заменит "устаревшие" кремниевые процессоры.

Исследование, проведенное Университетом Монаша в партнерстве с мельбурнским стартапом Cortical Labs, получило грант в размере $407 000 от Австралийской национальной программы грантов на исследования в области разведки и безопасности, сообщается на сайте учебного заведения. Эта разработка примечательна тем, что впервые в мире позволила ученым чип со встроенной тканью человеческого мозга.

Еще в прошлом году сотрудники Университета Монаша создали DishBrain — полубиологический компьютерный чип, в электродах которого в лаборатории выращено около 800 000 клеток мозга человека и мыши. Демонстрируя что-то вроде разума, он научился играть в пинг-понг за пять минут.

Відео дня
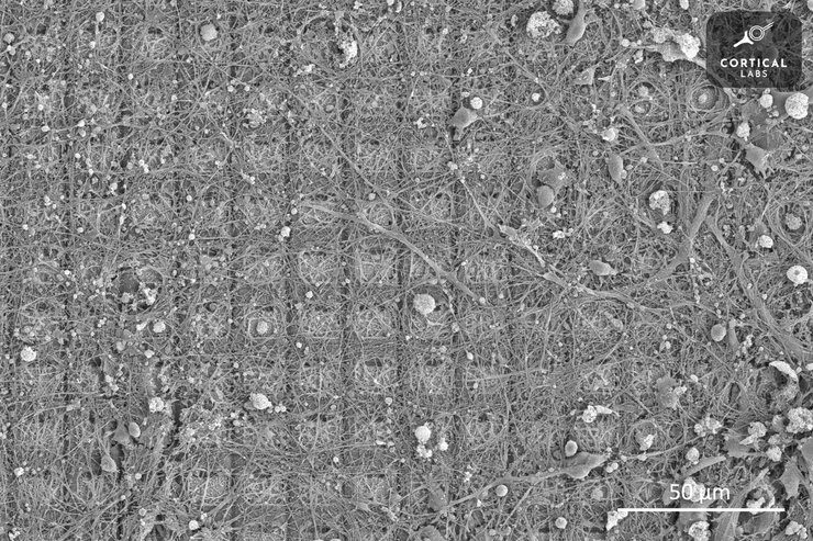
нейроны, DishBrain, массив электродов
Изображение нейронов DishBrain, растущих на массиве электродов, на сканирующем электронном микроскопе
Фото: Cortical Labs

Как ученые превратили процессор в мозг

Массив микроэлектродов в основе DishBrain был способен как считывать активность в клетках мозга, так и стимулировать их электрическими сигналами, поэтому исследовательская группа создала версию Pong, в которой клетки мозга получали движущийся электрический стимул, чтобы представить, на какой стороне "экрана" находится мяч и как далеко он находится от ракетки. Они позволили клеткам мозга воздействовать на ракетку, перемещая ее влево и вправо.

Затем они установили очень простую систему вознаграждения, используя тот факт, что небольшие скопления клеток мозга стараются свести к минимуму непредсказуемость окружающей их среды. Таким образом, если ракетка ударит по мячу, клетки получат хороший предсказуемый стимул. Но если мозг промахнется, клетки получат четыре секунды совершенно непредсказуемой стимуляции.

Это был первый случай, когда клетки мозга, выращенные в лаборатории, использовались таким образом, давая им возможность не только ощущать мир, но и воздействовать на него, и результаты были впечатляющими.

нейроны, DishBrain, клетки, флуоресцентные маркеры
Микроскопическое изображение нейронов в DishBrain с клетками, выделенными с помощью флуоресцентных маркеров
Фото: Cortical Labs

Что даст человечеству этот мега-мозг

Такие программируемые чипы, объединяющие биологические вычисления с искусственным интеллектом, "в будущем могут в конечном итоге превзойти по производительности существующее чисто кремниевые процессоры", — говорит руководитель проекта доцент Адил Рази.

"Результаты таких исследований будут иметь серьезные последствия во многих областях, таких как планирование, робототехника, передовая автоматизация, интерфейсы "мозг-машина" и открытие лекарств, что даст Австралии значительное стратегическое преимущество, — отметил он. — Новый тип машинного интеллекта способен учиться на протяжении всей своей жизни".

С помощью подобной технологии можно создать машины, которые могут продолжать изучать новые способности без ущерба для старых. Так же они смогут хорошо адаптироваться к изменениям и которые могут отображать старые знания в новых ситуациях, постоянно оптимизируя использование вычислительной мощности, памяти и энергии.

"Мы будем использовать грант программы для разработки более совершенных машин ИИ, которые воспроизводят способность к обучению этих биологических нейронных сетей. Это поможет нам расширить возможности оборудования и методов до такой степени, что они станут жизнеспособной заменой для вычислений в кремнии", — утверждает Адил Рази.

По его словам, проект получил финансирование от престижной австралийской грантовой организации, которая работает под руководством Управления национальной разведки и Научно-технического центра национальной безопасности Минобороны Австралии, поскольку самообучаемый машинный интеллект необходим им для нового поколения "умных" технологий, таких самоуправляемые автомобили и грузовики, автономные дроны, роботы-доставщики, интеллектуальные портативные и носимые устройства.

По мнению эксперта издания TomsHardware, проект DishBrain имеет некоторые цели, которые совпадают с текущей гонкой вооружений в области ИИ: компании Microsoft и OpenAI стремятся к мечте о рекурсивном обучении, а способность DishBrain к самообучению — это именно тот результат, необходимый исследователям в области кремниевых чипов и квантовых вычислений (в случае с Microsoft).

Ранее Фокус рассказывал о предсказаниях генерала Марка Милли, который утверждает, что треть вооруженных сил будет роботизирована, а искусственный интеллект изменит ход войн. Пентагон уже активно экспериментирует с искусственным интеллектом, который будет управлять истребителем F-16, а Россия так же испытывает роботизированные устройства.

Главный информационный директор Пентагона Джон Шерман заявил, что ИИ необходим военным США для победы над Россией и Китаем. Он призвал не ограничивать работу в этой сфере вопреки опасениям некоторых экспертов.