Підтримайте нас

МИ В СОЦМЕРЕЖАХ:

Знатно наслідили: 66 відбитків динозаврів 20 років ховалися у всіх на виду в австралійській школі

динозаври, сліди динозаврів, динозаври сліди
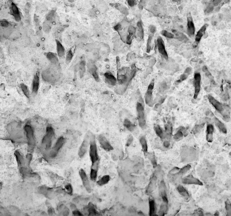
Скельна плита, що містить сліди динозавра | Фото: University of Queensland

Дослідники виявили, що на кам'яній плиті всередині австралійської школи ховаються десятки скам'янілих слідів динозаврів.

Шахтарі викопали плиту 2002 року і помітили на ній незвичайні сліди — тоді вони ухвалили рішення передати її до школи в невеликому містечку Білоела, де її зрештою виставили у фоє. Наступні два десятиліття камінь залишався непоміченим, поки кола в сільському Банана-Ширі у Квінсленді не попросила палеонтолога Ентоні Роміліо з Університету Квінсленду дослідити скупчення трипалих слідів, пише Science Alert.

У Фокус. Технології з'явився свій Telegram-канал. Підписуйтесь, щоб не пропускати найсвіжіші та найзахопливіші новини зі світу науки!

Роміліо вивчив плиту і виявив на ній одну з найвищих концентрацій слідів динозаврів, коли-небудь зареєстрованих в Австралії. Загалом на плиті виявили 66 скам'янілих відбитків динозаврів, датованих раннім юрським періодом — близько 200 мільйонів років тому.

Відео дня

Дослідник зазначає, що знахідка є безпрецедентним знімком чисельності динозаврів, їхнього пересування та поведінки з того часу, коли в Австралії не було знайдено жодної скам'янілої кістки динозавра. Цікаво, що такі значущі скам'янілості насправді можуть роками залишатися непоміченими, навіть на виду.

Ще більш неймовірним здається, що такий цінний фрагмент протягом 20 років зберігався у всіх на виду в шкільному фоє. За словами Роміліо, насправді камінь припадав пилом у школі, поки вчені в Австралії зацікавилися питанням, чи немає в цьому районі скам'янілостей найбільших хижаків в історії Землі.

динозаври, сліди динозаврів, динозаври сліди
Детальні характеристики зразка породи в Білоелі в Квінсленді
Фото: University of Queensland

Деякі співробітники школи насправді вважали, що плита є лише копією слідів динозаврів, а тому не зверталися до вчених. За словами Роміліо, співробітники школи точно знали, що перед ними сліди динозаврів, але не надавали їм особливого значення, вважаючи, що це не так вже й важливо.

Відомо, що площа плити становить менш ніж один квадратний метр, проте на ній було виявлено 66 окремих відбитків слідів. Передбачається, що сліди належать динозавру sciencealert.

Роміліо продовжив пошуки скам'янілостей у регіоні та виявив двотонний валун, що позначає в'їзд на стоянку вугільної шахти. Вчений абсолютно випадково помітив на цьому місці скам'янілу кістку динозавра. Цікаво, що більшість скам'янілих слідів динозаврів, як правило, випадково виявляють люди, в той час, як вчені зосереджуються на пошуках скам'янілих кісток.

Раніше Фокус писав про те, що виявлено першого динозавра із зеленими кістками.